SAFE TU

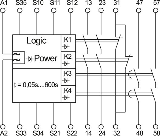
Sicherheitsschaltgerät für Nothalt- und Schutztürapplikationen sowie zweikanalige Lichtschrankenüberwachung mit Schaltverzögerung (0,05s - 600s abfallverzögert) bis Kat. 4 / PL e nach EN ISO 13849-1. Das Gerät ist für einen ein- oder zweikanaligen Betrieb konzipiert. Das Gerät kann so konfiguriert werden, dass es mit und ohne Überwachung der Starttaste betrieben werden kann. Softwareversion TU: Das Auslöseelement kann während des kompletten Zeitablaufes betätigt werden (z.B. zurückgenommen). Es gibt keine Gleichzeitigkeit (unendliche Gleichzeitigkeit). Ein erneuter Start erfolgt erst nach Zeitablauf. Das Gerät ist in der folgenden Betriebsspannung verfügbar: 24 VAC/DC.

Technische Daten

Anwendung Für Nothalt- und Schutztürapplikationen sowie zweikanalige Lichtschrankenüberwachung mit Schaltverzögerung (0,05s - 600s abfallverzögert)
Zulassung TÜV, UL, cUL
Kontakte 2 Schließer direkt, 2 Schließer abfallverzögert, 1 Öffner
Betriebsspannung 24 VAC/DC (+ 25 - 20 %) (elektronische Sicherung)
Temperaturbereich -25°C bis +55°C (UL: bis +40°C)
Schaltleistung 1500 VA (ohmsche Last)
Maße 35 x 99 x 114,5 mm (BxHxT)

Sicherheitstechnische Daten

EN ISO 13849-1  
Performance Level (PL) e
Kategorie 4
MTTFd >100 Jahre
   
EN 61508  
SIL 3
PFH 3,4*10-9 1/h

Kaufmännische Daten

Betriebsspannung 24 VAC/DC
Artikelnummer 45026
GTIN

425005092031

Gewicht 320g
Zolltarifnummer 85364190
Ursprungsland DE

 

Downloads

Zurück

© Copyright 2026
Einstellungen gespeichert
Datenschutzeinstellungen

Cookie-Hinweis: Wir setzen auf unserer Website Cookies ein. Einige von ihnen sind erforderlich, während andere uns helfen unser Onlineangebot zu verbessern. Sie können alle Cookies über den Button “Alle akzeptieren” zustimmen, oder Ihre eigene Auswahl vornehmen und diese mit dem Button “Auswahl akzeptieren” speichern.

Technisch erforderliche Cookies werden immer geladen.
You are using an outdated browser. The website may not be displayed correctly.